010 - 88125588

北京航天常興科技發展股份有限公司
地址:北京市大興區金星路 30 號
郵編:102600
郵箱:htcx@htcxcloud.com
電話:010-88125588
010-88121515
010-69297973
傳真:010-88125588? 轉 833
電氣安全服務專線:400-968-0119
消防設備電源監控系統
第一節 系統簡介
消防設備電源監控系統用于一般工業與民用建筑中AC220V/380V配電線路中安裝的消防設備電源的在線監控,當消防設備電源發生過壓、欠壓、過流、漏電、缺相等故障時監控系統能立即發出報警信號,可及早發現問題從而避免各種事故的發生。
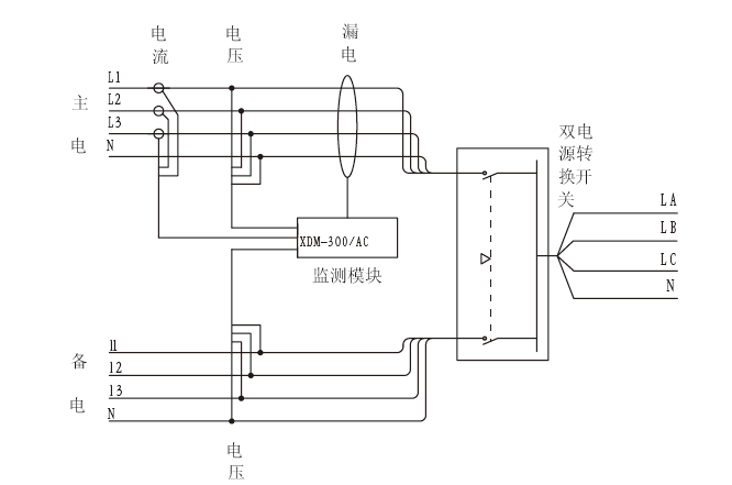
消防設備電源監控系統由消防設備電源電壓/電流信號傳感器、消防設備電源監控器組成。信號傳感器用于各種電參數的檢測,監控器用于對監測模塊的集中監控。二者通過RS485總線相連后構成分散式監測集中式報警的消防設備電源監控系統,如下圖所示:
.png)
消防電源監控系統組成
消防設備電源電壓/電流信號傳感器采用剩余電流互感器(ZT)監測配電線路的漏電電流,采用電流互感器(CT)監測線路中的過線負載電流,同時也監測電路的三項電壓值。傳感器檢測的信息經總線傳輸至監控器,監控器實時接收各傳感器發送的各種信息,并在監控器屏幕上實時顯示,監控器具有聲光報警、數字顯示、數據存儲、查詢、打印輸出、報警信號輸出等功能。
消防設備電源電壓/電流信號傳感器安裝于配電盤或配電柜內,監控器安裝于值班室。
第二節 消防設備電源監控器
●監控器規格型號表示方法
.png)
監控器規格型號表示方法
●監控器產品一覽表
.png)
●監控器功能
1 報警功能:監控器安裝在值班室,以總線方式與多臺檢測模塊相連,接收各檢測模塊發送的漏電、過流、過壓、欠壓、缺相等報警信息,報警時發出聲光報警信號,報警時間<30s。
2 故障報警功能:監控器在接收監測模塊發送的報警信息同時,也接收監測模塊自身的故障信息,當:監測模塊運行不正常時顯示:
監測模塊與監控器之間通訊不正常
監控器的電源電壓>242V及<175V(過壓與欠壓)
電池電壓<21.6V(電池故障)
監控器發出故障報警信號,報警時間<100s
3 報警信息記錄、存儲、查詢功能:監控器能夠記錄報警的發生時間、類型、參數、并具有查詢功能。存儲信息容量:<3000條。
4 打印功能(選配)
5 總線通訊功能。
1 監測電壓:過壓(>110%電壓額定值) 欠壓(<85%電壓額定值)
2 監測電流:過流(>160%電流額定值)
3 監測剩余電流:范圍5mA-1.0A,檢測精度±3%FS,報警值:(80%-100%)*報警設定值
4 電源:AC220V 功耗:100W(標準容量)
5 備用電池:DC24V鉛酸電池,容量10AH-65AH
6 絕緣能力:電源端子及其它接線端子與外殼金屬部分施加AC2000V 50Hz,一分鐘內無異常
7 絕緣電阻:電源端子與外殼金屬部分之間絕緣電阻大于50MΩ,其它端子與外殼金屬部分之間的絕緣電阻大于20MΩ
8 使用環境:室內安裝溫度-10℃-40℃,相對濕度<90%
監控器與檢測模塊通訊采用RS-485總線,具有多個下行通訊接口及一個或多個上行接口,用于將所有的監測模塊通訊數據整理匯總后,實時送至監控器。另一方面接收監控器下達的命令,完成對各監測模塊的參數整定。下行通訊口:2個RS485,上行通訊口:1個RS485、1個232。每個下行口最大可帶72臺探測器,與上級監控設備采用A類屏蔽雙絞線連接。監測模塊把信息以efire協議傳給監控器,傳送距離<1.2Km
第三節 消防電源監測模塊
●監測模塊分類
1 交流電壓、交流電流監測模塊:用于檢測配電線路的漏電電流、交流電壓、交流電流等
2 交流和直流電壓、電流監測模塊:用于檢測配電線路中的交流電壓、交流電流、直流電源、直流電流等
●電壓/電流信號傳感器(監測模塊)規格型號表示方法
.png)
●電壓/電流信號傳感器(監測模塊)產品一覽表
.png)
●電壓/電流信號傳感器(監測模塊)功能
1 監測報警功能:當被監測的設備電源發生過壓、欠壓、過流、漏電、缺相等故障時信號傳感器立即發出聲光報警信號,報警時間:<60s
2 故障報警功能:當監控模塊發生以下情況時,監控模塊發出故障報警信號:
3 通訊功能:監測參數通過RS485總線efire協議傳給消防設備電源監控器
1 監測電壓:過壓(>110%電壓額定值) 欠壓(<85%電壓額定值)
2 監測電流:過流(>160%電流額定值)
3 監測剩余電流:范圍:5mA-1A、檢測精度:±3%FS、報警值:(80%-100%)*報警設定值
4 電源:DC24V,電源來自監控器或專用電源箱。功耗:<1W
5 絕緣電阻:電源端子與外殼之間絕緣電阻大于50MΩ,其它端子與外殼之間絕緣電阻大于20MΩ
6 絕緣能力:電源端子與外殼之間施加AC2000V、50Hz電壓,其它端子與外殼之間施加AC500V、50Hz電壓,一分鐘內無異常
7 使用環境:室內安裝,溫度-10℃-40℃,相對濕度90%以下
.png)
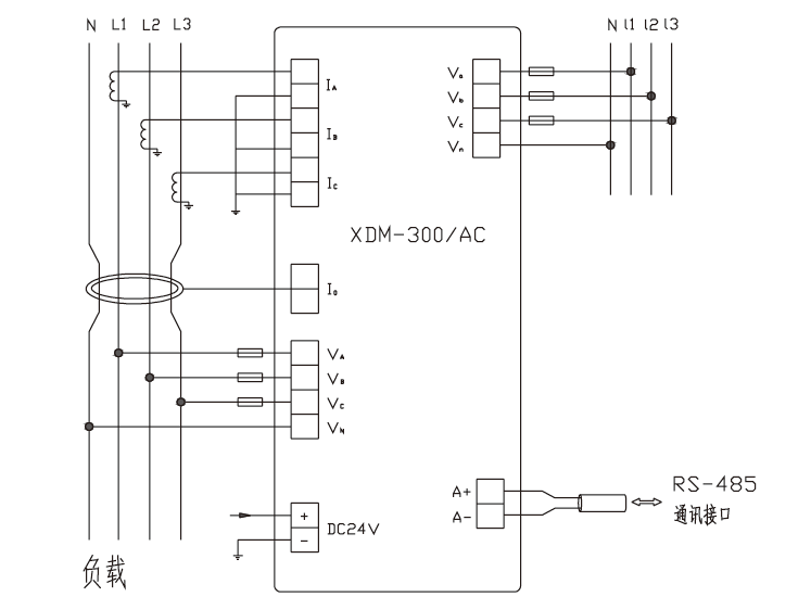
XDM-300/AC監測模塊原理接線圖
.png)
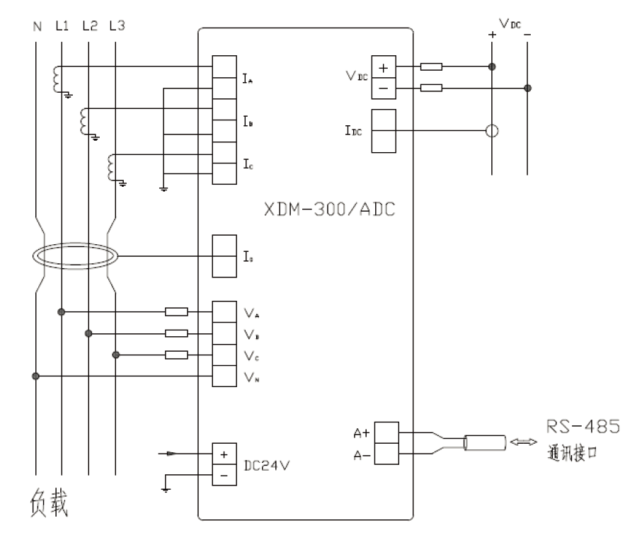
XDM-300/ADC監測模塊原理接線圖
第四節 系統安裝及使用方法
●電壓/電流信號傳感器(監測模塊)的安裝
監測模塊安裝于消防配電盤或配電柜內監測配電線路的工作狀態
安裝監測模塊時,根據現場情況可以選用螺釘固定或導軌安裝。接線如下圖所示:
.png)
配電盤/柜接線圖示意
圖中:☆ 第一條被測電纜的監測內容:
1 L1、L2、L3三相電壓:過壓、欠壓、缺相、錯相等
2 L1、L2、L3三相電流:過流
☆ 第二條被監測電纜的監測內容:
1 I1、I2、I3三相電壓:過壓、欠壓、缺相、錯相等
使用附件中的線夾采取電壓信號,把線夾分別夾住L1、L2、L3相線及N線
電流信號取自配電盤、柜中電流互感器的二次側,即電流互感器次級線直接與監測模塊接線端子相連接,配電盤、柜中電流互感器的變比有200:5/500:5/1000:5等,設備出廠時根據實際變比進行設定
使用附件中的線夾采取電壓信號,把線夾分別夾住被測直流線的+、- 級
使用霍爾傳感器,把直流電線的一根直接穿過霍爾傳感器
使用剩余電流互感器采取漏電信號。剩余電流互感器有對插式互感器和貫通式互感器兩種,對插式互感器性能好且安裝維護方便

對插式互感器 貫通式互感器
按形式及配置不同選擇監控器,監控器安裝于電工值班室或消防中控室,監測模塊與監控器以總線方式相連接,總線應穿管安裝
XDM-300/AC監測模塊與XDJ-900監控器連接使用來構成消防設備電源監控系統
監測模塊分別安裝于配電盤、箱處,監控器可與480只監測模塊相連接,同時監測480路消防配電線路,監控系統的連接如下圖所示:
.png)
消防電源監控系統組成
第四節 消防設備電源監控系統的設計應用
●監測模塊的適用范圍
☆消防負荷電源
建筑物內為各類消防設備供電的交流或直流電源,包括主電源和備用電源
☆正常負荷電源
重要用電負荷、一級負荷、二級負荷
●通常消防負荷及監測模塊具體設置場所和監測內容如下圖所示:
.png)



微信
抖音